The HEX43xx series is a range of integrated joint motors developed by HexFellow for the embodied robotics industry. Featuring a planetary gear system, it delivers impact resistance, high torque transparency, low friction, and exceptional cost-effectiveness. With integrated drive and control and CAN-FD communication, the motors support hardware timestamping, synchronization, MIT control, and multi-device daisy-chaining.
Integrated Joint Motor Design
All-in-one joint actuator engineered for the embodied robotics industry
Planetary Gear System
High impact resistance, excellent torque transparency, low friction, and strong cost-performance ratio
Integrated Drive & Control
Built-in motor driver with CAN-FD communication
Advanced Control Capabilities
Supports hardware timestamping, synchronization, MIT control, and multi-device control
Wide Voltage Support
Rated at 48V, suitable for industrial applications
High Performance Output
4310: 128W power, 3 Nm rated, 7 Nm peak | 4342: 9 Nm rated, 30 Nm peak
HEXMOTOR 4310 & 4342 Complete Specifications
| Motor Performance | |
| Rated Voltage | 48 V |
| Rated Current | 3.7 A |
| Rated Speed | 410 rpm |
| Rated Torque | 3 Nm |
| Peak Torque | 7 Nm |
| Peak Current | 7.5 A |
| No-load Speed | 500 rpm |
| Key Parameters | |
| Pole Pairs | 28 |
| Phase Inductance | 0.55 mH |
| Phase Resistance | 1.05 Ω |
| Reduction Ratio | 10 : 1 |
| Sensors | |
| Encoder Type | Magnetic (single-turn) |
| Encoder Bits | 16-bit |
| Encoder Count | 2 |
| Communication Interface | |
| Control Interface | CAN-FD @ 5 Mbps |
| Dimensions & Weight | |
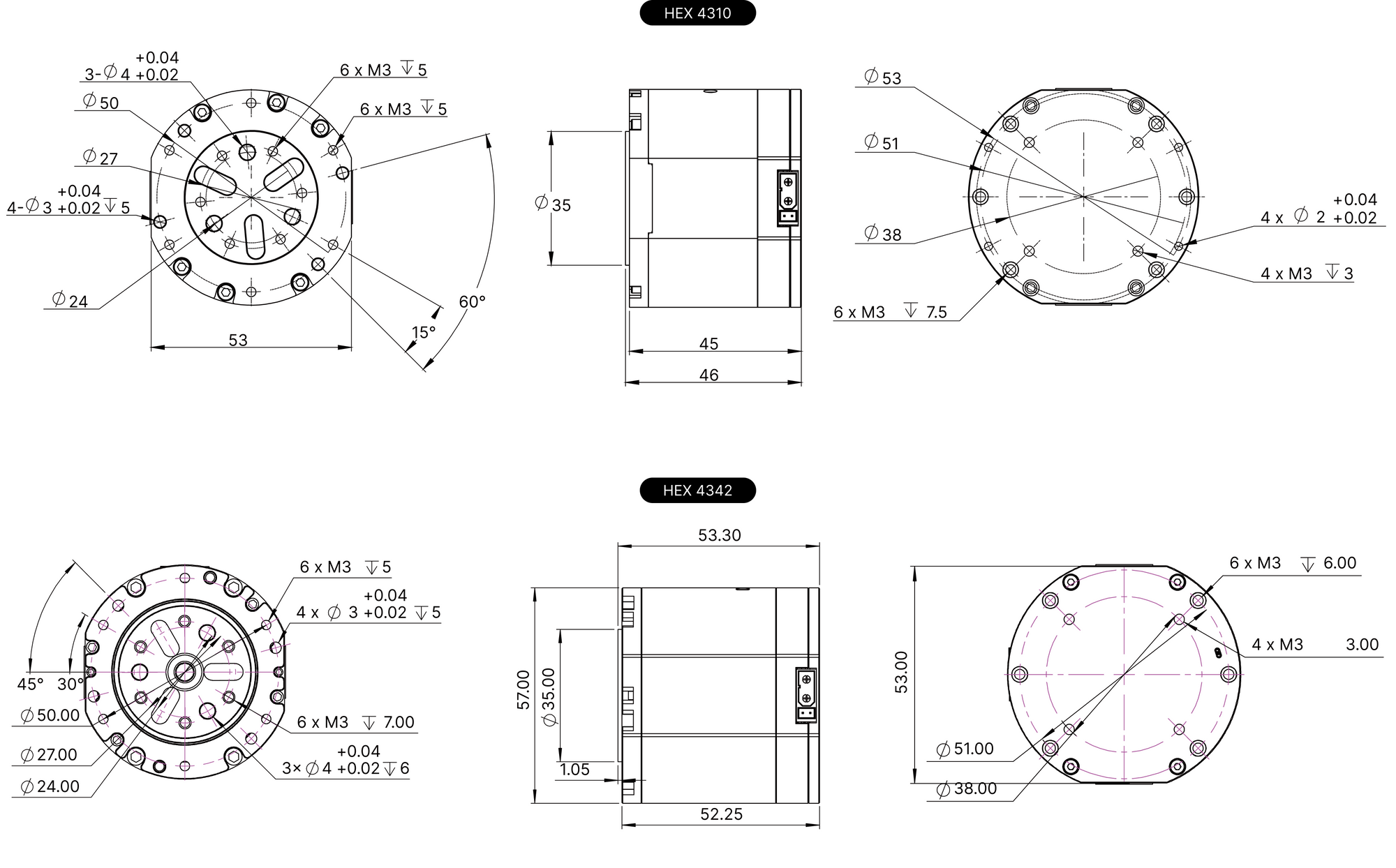
| Outer Diameter | 57 mm |
| Height | 45 mm |
| Weight | 310 g |
| Operating Temperature | -20°C ~ 40°C |
| Protection Features | |
| Driver Over-temperature | > 120°C |
| Motor Over-temperature | > 110°C |
| Over-voltage | > 65 V |
| Phase Over-current | > 14 A (PEAK) |
| Under-voltage | < 14 V |
| Stall Protection | Driver detects motor stall |
| Motor Performance | |||||||||||||||||||||||||||||||||||||||||||||||||||||||||||||||||||||||||
| Rated Voltage | 48 V | ||||||||||||||||||||||||||||||||||||||||||||||||||||||||||||||||||||||||
| Rated Current | 3 A | ||||||||||||||||||||||||||||||||||||||||||||||||||||||||||||||||||||||||
| Rated Speed | 105 rpm | ||||||||||||||||||||||||||||||||||||||||||||||||||||||||||||||||||||||||
| Rated Torque | 9 Nm | ||||||||||||||||||||||||||||||||||||||||||||||||||||||||||||||||||||||||
| Peak Torque | 30 Nm | ||||||||||||||||||||||||||||||||||||||||||||||||||||||||||||||||||||||||
| Peak Current | 9.6 A | ||||||||||||||||||||||||||||||||||||||||||||||||||||||||||||||||||||||||
| No-load Speed | 117 rpm | ||||||||||||||||||||||||||||||||||||||||||||||||||||||||||||||||||||||||
| Key Parameters | |||||||||||||||||||||||||||||||||||||||||||||||||||||||||||||||||||||||||
| Pole Pairs | 28 | ||||||||||||||||||||||||||||||||||||||||||||||||||||||||||||||||||||||||
| Phase Inductance | 0.55 mH | ||||||||||||||||||||||||||||||||||||||||||||||||||||||||||||||||||||||||
| Phase Resistance | 1.05 Ω | ||||||||||||||||||||||||||||||||||||||||||||||||||||||||||||||||||||||||
| Reduction Ratio | 42 : 1 | ||||||||||||||||||||||||||||||||||||||||||||||||||||||||||||||||||||||||
| Sensors | |||||||||||||||||||||||||||||||||||||||||||||||||||||||||||||||||||||||||
| Encoder Type | Magnetic (single-turn) | ||||||||||||||||||||||||||||||||||||||||||||||||||||||||||||||||||||||||
| Encoder Bits | 16-bit | ||||||||||||||||||||||||||||||||||||||||||||||||||||||||||||||||||||||||
| Encoder Count | 2 | ||||||||||||||||||||||||||||||||||||||||||||||||||||||||||||||||||||||||
| Communication Interface | |||||||||||||||||||||||||||||||||||||||||||||||||||||||||||||||||||||||||
| Control Interface | CAN-FD @ 5 Mbps | ||||||||||||||||||||||||||||||||||||||||||||||||||||||||||||||||||||||||
| Motor Characteristics | |||||||||||||||||||||||||||||||||||||||||||||||||||||||||||||||||||||||||
|
|||||||||||||||||||||||||||||||||||||||||||||||||||||||||||||||||||||||||
| Dimensions & Weight | |||||||||||||||||||||||||||||||||||||||||||||||||||||||||||||||||||||||||
| Outer Diameter | 57 mm | ||||||||||||||||||||||||||||||||||||||||||||||||||||||||||||||||||||||||
| Height | 53.3 mm | ||||||||||||||||||||||||||||||||||||||||||||||||||||||||||||||||||||||||
| Weight | 398 g | ||||||||||||||||||||||||||||||||||||||||||||||||||||||||||||||||||||||||
| Operating Temperature | -20°C ~ 40°C | ||||||||||||||||||||||||||||||||||||||||||||||||||||||||||||||||||||||||
| Protection Features | |||||||||||||||||||||||||||||||||||||||||||||||||||||||||||||||||||||||||
| Driver Over-temperature | > 120°C | ||||||||||||||||||||||||||||||||||||||||||||||||||||||||||||||||||||||||
| Motor Over-temperature | > 110°C | ||||||||||||||||||||||||||||||||||||||||||||||||||||||||||||||||||||||||
| Over-voltage | > 65 V | ||||||||||||||||||||||||||||||||||||||||||||||||||||||||||||||||||||||||
| Phase Over-current | > 14 A (PEAK) | ||||||||||||||||||||||||||||||||||||||||||||||||||||||||||||||||||||||||
| Under-voltage | < 14 V | ||||||||||||||||||||||||||||||||||||||||||||||||||||||||||||||||||||||||
| Stall Protection | Driver detects motor stall | ||||||||||||||||||||||||||||||||||||||||||||||||||||||||||||||||||||||||
C++ / Rust / CAN-FD / CANopen